Цилиндрические редукторы зубчатые трехступенчатые 1Ц2У-315Н, 1Ц2У-355Н, 1Ц2У-400Н, 1Ц2Н-450, 1Ц2Н-500

Редукторы цилиндрические 1Ц2У-315Н, 1Ц2У-355Н, 1Ц2У-400Н, 1Ц2Н-450, 1Ц2Н-500 купить в Нижнем Новгороде по низкой цене
Редуктор Ц2У – Н относится к зубчатым цилиндрическим двухступенчатым узким приводным устройствам горизонтального типа. Характер использования – общепромышленная структура народного хозяйства. Редукторы представленной категории отвечают за увеличение показателей крутящих моментов и уменьшение значения частоты вращения. Успешно эксплуатируются в районах с умеренным климатом (тип исполнение - У), а также сухим/влажным тропическим (исполнение-Т), категории размещения – 1/2/3/4 (использование на открытом воздухе (рекомендуется под навесом), в закрытых помещениях, а также в помещениях, предусматривающих возможность климатического регулирования. От варианта сборки редуктора зависят показатели передаточного числа, категория размещения и межосевое расстояние тихоходной ступни. В зависимости от требований и условий процесса, работа редуктора может быть как постоянной, так и с перерывами.
Цена: от 62 000 руб.
Базовые условия использования цилиндрического редуктора:
- Устройство адаптировано для работы в условиях переменной/постоянной нагрузки,
- Тип нагрузки: одного направления/реверсивная;
- Возможны два режима использования редуктора: постоянная работа, а также с периодическими остановками/перерывами;
- Быстроходный вал осуществляет вращение в обе стороны, частота вращения не выше 1 500 об/мин.
Общее описание:


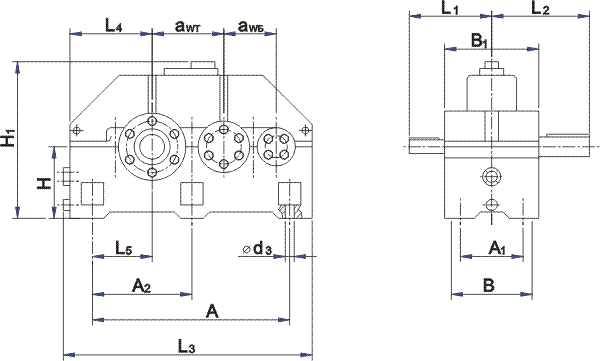
РИС 1. Габаритные и присоединительные размеры
| Типоразмер | аwБ | аwT | A | A1 | A2 | B | H | H1 | H2 | L1 | L2 | L3 | L4 | L5 |
|---|---|---|---|---|---|---|---|---|---|---|---|---|---|---|
| 1Ц2У-315Н | 200 | 315 | 740 | 260 | 370 | 340 | 335 | 685 | 35 | 300 | 420 | 1045 | 360 | 215 |
| 1Ц2У-355Н | 225 | 355 | 850 | 280 | 425 | 360 | 375 | 740 | 35 | 320 | 440 | 1170 | 405 | 250 |
| 1Ц2У-400Н | 250 | 400 | 950 | 330 | 475 | 420 | 425 | 835 | 42 | 380 | 500 | 1320 | 450 | 280 |
| 1Ц2Н-450 | 280 | 450 | 1060 | 515 | 530 | 590 | 475 | 955 | 50 | 500 | 650 | 1475 | 500 | 310 |
| 1Ц2Н-500 | 315 | 500 | 1220 | 580 | 615 | 650 | 530 | 1030 | 60 | 530 | 690 | 1660 | 530 | 360 |
| Типоразмер | b1 | b2 | d1 | d2 | d3 | h1 | h2 | l1 | l2 | t1 | t 2 | Объем заливаемого масла, л | Масса, кг |
|---|---|---|---|---|---|---|---|---|---|---|---|---|---|
| 1Ц2У-315Н | 14 | 28 | 50k6 | 110 | 28 | 9 | 16 | 110 | 210 | 44 | 100 | 30 | 520 |
| 1Ц2У-355Н | 16 | 32 | 55k6 | 125 | 28 | 10 | 18 | 110 | 210 | 44 | 114 | 35 | 700 |
| 1Ц2У-400Н | 18 | 36 | 60k6 | 140 | 35 | 11 | 20 | 140 | 250 | 53 | 128 | 60 | 940 |
| 1Ц2Н-450 | 22 | 40 | 80 k6 | 160 | 35 | 14 | 22 | 170 | 300 | 71 | 157 | 90 | 1530 |
| 1Ц2Н-500 | 25 | 45 | 90 k6 | 180 | 42 | 14 | 25 | 170 | 300 | 81 | 165 | 100 | 2100 |
ТАБЛ 1. Габаритные и присоединительные размеры

РИС 2. Варианты сборки редукторов типа Ц2У
| Типоразмер редуктора | Частота вращения быстроходного вала, об/мин | Режим работы | Передаточное число (номинальное) | ||||||||
|---|---|---|---|---|---|---|---|---|---|---|---|
| 8 | 10 | 12,5 | 16 | 20 | 25 | 31,5 | 40 | 50 | |||
| 1Ц2У-315Н | 500 | Л С Т H |
10300 9200 9200 8300 | 10700 9200 9200 8400 | 10400 9200 9200 8600 | 9900 9200 9200 8300 | 10800 8600 8600 8400 | 11200 8600 8600 8400 | 9800 8600 8600 8600 | 8700 8700 8600 8200 | 10700 7900 7600 7600 |
| 750 | Л С Т H |
9700 9200 9100 8100 | 10100 9200 9200 8200 | 10 300 9200 9200 8300 | 9900 9200 9100 8200 | 10100 8600 8600 8200 | 10500 8600 8600 8300 | 9800 8600 8600 8400 | 8700 8600 8600 7900 | 10000 7600 7600 7600 | |
| 1000 | Л С Т H |
9200 9200 8900 8000 | 9600 9200 9100 8100 | 9900 9200 9100 8200 | 9800 9200 8800 8200 | 9600 8600 8600 7900 | 10000 8600 8600 8100 | 9800 8600 8600 8300 | 8700 8600 8600 7800 | 9600 7600 7600 7600 | |
| 1500 | Л С Т H |
9100 8900 8600 8000 | 9200 9100 8800 8000 | 9300 9200 8800 8100 | 9600 9200 8500 8100 | 9000 8600 8600 7700 | 9300 8600 8600 7800 | 9700 8600 8600 7900 | 8600 8600 8409 7600 | 8900 7600 7600 7500 | |
| 1Ц2У-355Н | 500 | Л С Т H |
14000 12600 12600 11600 | 14600 12600 12600 11800 | 14200 12600 12600 11900 | 13500 12600 12600 11500 | 12500 12500 12000 10600 | 15300 11700 11700 11700 | 13500 11700 11700 11700 | 12000 12000 11700 11400 | 14700 10800 10400 10400 |
| 750 | Л С Т H |
13200 12600 12500 11300 | 13700 12600 12600 11400 | 14000 12600 12600 11600 | 13400 12600 12500 11400 | 12500 12300 11700 10400 | 14300 11700 11700 11600 | 13500 11700 11700 11700 | 12000 11700 11700 10900 | 13700 10400 10400 10400 | |
| 1000 | Л С Т H |
12500 12500 12200 12200 | 13100 12600 12600 11300 | 13600 12600 12600 11400 | 13300 12600 12600 11200 | 12300 11900 11500 10200 | 13600 11700 11700 11300 | 13500 11700 11700 11500 | 12000 11700 11700 10800 | 13100 10400 10400 10400 | |
| 1500 | Л С Т H |
12300 12300 11900 11100 | 12400 12400 12100 11200 | 12600 12500 12100 11200 | 12900 12600 11700 11200 | 12100 11300 11100 9800 | 12700 11700 11700 10900 | 13200 11700 11700 11100 | 11800 11700 11700 10500 | 12200 10400 10400 10400 | |
| 1Ц2У-400Н | 500 | Л С Т H |
19600 17700 17700 16200 | 19800 17700 17700 16600 | 19400 17700 17700 16500 | 18400 17700 17700 15900 | 20700 16400 16400 16400 | 20900 16400 16400 16400 | 18300 16400 16400 16400 | 16200 16200 16200 15700 | 20400 15000 14600 14600 |
| 750 | Л С Т H |
18500 17700 17400 16100 | 19300 17700 17700 16300 | 19100 17700 17700 16300 | 18200 17700 17400 15700 | 19300 16400 16400 16400 | 20000 16400 16400 16400 | 18300 16400 16400 16400 | 16200 15100 16200 15100 | 19100 14600 14600 14600 | |
| 1000 | Л С Т H |
17500 17500 17000 16100 | 18300 17700 17500 16300 | 18700 17700 17400 16100 | 18000 17700 16800 15600 | 18400 16400 16400 16400 | 19100 16400 16400 16400 | 18200 16400 16400 16100 | 16200 16200 16200 15000 | 18200 14600 14600 14600 | |
| 1500 | Л С Т H |
- - - - |
- - - - |
17700 17500 16800 16100 | 17500 17500 16300 15500 | 17200 16400 16400 15600 | 17800 16400 16400 15900 | 17900 16400 16400 15600 | 15900 15900 15900 14600 | 17000 14600 14600 14600 | |
| 1Ц2Н-450 | 500 | Л С Т H |
29600 27700 27700 26200 | 29800 27700 27700 26600 | 29400 27700 27700 26500 | 28400 27700 27700 25900 | 20700 26400 26400 26400 | 20900 26400 26400 26400 | 28300 26400 26400 26400 | 26200 26200 26200 25700 | 20400 25000 24600 24600 |
| 750 | Л С Т H |
28500 27700 27400 26100 | 29300 27700 27700 26300 | 29100 27700 27700 26300 | 28200 27700 27400 25700 | 29300 26400 26400 26400 | 20000 26400 26400 26400 | 28300 26400 26400 26400 | 26200 25100 26200 25100 | 29100 24600 24600 24600 | |
| 1000 | Л С Т H |
27500 27500 27000 26100 | 28300 27700 27500 26300 | 28700 27700 27400 26100 | 28000 27700 26800 25600 | 28400 26400 26400 26400 | 29100 26400 26400 26400 | 28200 26400 26400 26100 | 26200 26200 26200 25000 | 28200 24600 24600 24600 | |
| 1500 | Л С Т H |
- - - - |
- - - - |
27700 27500 26800 26100 | 27500 27500 26300 25500 | 27200 26400 26400 25600 | 27800 26400 26400 25900 | 27900 26400 26400 25600 | 25900 25900 25900 24600 | 27000 24600 24600 24600 | |
| 1Ц2Н-500 | 500 | Л С Т H |
49600 47700 47700 46200 | 49800 47700 47700 46600 | 49400 47700 47700 46500 | 48400 47700 47700 45900 | 40700 46400 46400 46400 | 40900 16400 16400 16400 | 48300 46400 46400 46400 | 46200 46200 46200 45700 | 50400 45000 44600 44600 |
| 750 | Л С Т H |
48500 47700 47400 46100 | 49300 47700 47700 46300 | 49100 47700 47700 46300 | 48200 47700 47400 45700 | 49300 46400 46400 46400 | 40000 46400 46400 46400 | 48300 46400 46400 46400 | 46200 45100 46200 45100 | 49100 44600 44600 44600 | |
| 1000 | Л С Т H |
44400 44400 44400 44400 | 48000 46600 46600 46600 | 48000 46900 46900 46900 | 46000 46000 46000 46000 | 41100 41100 41100 41100 | 49600 45200 45200 45200 | 42200 42200 42200 42200 | 48700 40000 40000 40000 | 43200 40000 40000 40000 | |
| 1500 | Л С Т H |
- - - - |
- - - - |
- - - - |
44200 44200 44200 44200 | 39800 39800 39800 39800 | 48100 15200 45200 45200 | 41200 41200 41200 41200 | 45500 40000 40000 40000 | 42500 40000 40000 40000 | |
ТАБЛ 2. Допускаемые крутящие моменты на тихоходном валу, Н • м
*** Л - лёгкий ПВ = 15 %; С - средний ПВ = 25 %; Т - тяжёлый ПВ = 40 %; Н - непрерывный ПВ = 100 %.
| Наименование технических характеристик | Типоразмер редуктора | ||||||
|---|---|---|---|---|---|---|---|
| 1Ц2У-315Н | 1Ц2У-355Н | 1Ц2У-400Н | 1Ц2Н-450 | 1Ц2Н-500 | |||
| Межосевое расстояние, мм | тихоходной ступени, аwT быстроходной ступени, аwБ для вариантов сборок 11,12,13,21,22,23 | 315 200 4000 |
355 225 5000 |
400 250 7100 |
450 280 10000 |
500 315 12500 |
|
| Допускаемая радиальная консольная нагрузка, Н | на быстроходном валу, р6 | для вариантов сборок 31, 32,33 | 2000 | 2500 | 3550 | 5000 | 6250 |
| На тихоходном валу. рт | для вариантов сборок 11, 12, 21,22, 31, 32 | 22400 | 28000 | 31500 | 60000 | 80000 | |
| для вариантов сборок 13, 23,33 | 11200 | 14000 | 15750 | 30000 | 40000 | ||
| Коэффициент полезного действия, ή , не менее | 0,98 | ||||||
ТАБЛ 3. Допускаемая радиальная консольная нагрузка на концы валов и термическая мощность
Пример условного обозначения при заказе:
Редуктор 1Ц2У 315Н-25-12 Ц У2, где:
- 1Ц2У– цилиндрический двухступенчатый редуктор;
- 315– межосевое расстояние тихоходной ступени, мм;
- 25– номинальное передаточное число;
- 12– вариант сборки;
- Ц– цилиндрический конец тихоходного вала;
- У– климатическое исполнение;
- 2– категория размещения.