Редукторы цилиндрические РМ-250, РМ-350, PM-400, PM-500, РМ-650, РМ-750, РМ-850, РМ-1000

Редукторы цилиндрические РМ-250, РМ-350, PM-400, PM-500, РМ-650, РМ-750, РМ-850, РМ-1000 купить в Нижнем Новгороде по низкой цене
Редукторы цилиндрические двухступенчатые горизонтальные общемашиностроительного применения типов РМ-250; РМ-350; PM-400; РМ-500; Р650; РМ-750; РМ-850; PM-1000 предназначены для увеличения крутящего момента и уменьшения частоты вращения. Оборудование может быть успешно использовано даже при повышенной запыленности воздуха, однако общие условия эксплуатации должны быть неагрессивными. От выбранного типа редуктора будет зависеть специфика режима работы, передаточное число и показатели номинального крутящего момента. Различие, приходящееся на типы габаритных и присоединительных размеров, соответственно влияет на массу редуктора. Другими словами, если модификация РМ-250 имеет вес в 85кг, то РМ-1000 будет весить уже 2122 кг.
Цена: от 69 560 руб.
Условия применения редукторов РМ:
- нагрузка постоянная и переменная, одного направления и реверсивная;
- работа длительная или с периодическими остановками, вращение валов в любую сторону;
- частота вращения входного вала редукторов РМ не должна превышать 1500 об/мин.;
- температура внешней среды от минус 40°C до плюс 50°С;
- повышенная запыленность, неагрессивная среда;
- редуктор РМ может иметь различное климатическое исполнение: У, Т ( для категории размещения 1...4 ) по ГОСТ 15150-69.
Общее описание:

РИС 1. Габаритные и присоединительные размеры.
РМ-250, РМ-350, РМ-400, РМ-500
| Тип | aw | aw2 | L | L1 | L2 | l | l1 | l2 | l3 | l4 | l5 |
|---|---|---|---|---|---|---|---|---|---|---|---|
| РМ-250 | 250 | 150 | 540 | 200 | 238,5 | 320 | 235 | 45 | 50 | 189 | 249 |
| РМ-350 | 350 | 200 | 710 | 260 | 268,5 | 415 | 310 | 5P | 60 | 238 | 280 |
| PM-400 | 400 | 250 | 816 | 270 | 325,5 | 440 | 370 | 80 | 75 | 288 | 367 |
| PM-500 | 500 | 300 | 986 | 330 | 330 | 620 | 480 | 110 | 87 | 338 | 420 |
ТАБЛ 1. Габаритные и присоединительные размеры.
РМ-250, РМ-350, РМ-400, РМ-500
| Тип | B | B1 | B2 | H | H1 | h | d | Масса, кг |
|---|---|---|---|---|---|---|---|---|
| РМ-250 | 230 | 190 | 230 | 312 | 160 | 22 | 17 | 85 |
| РМ-350 | 270 | 250 | 290 | 400 | 200 | 23 | 17 | 145 |
| PM-400 | 300 | 270 | 310 | 490 | 250 | 25 | 17 | 210 |
| PM-500 | 350 | 310 | 350 | 592 | 300 | 25 | 17 | 390 |

РИС2. Габаритные и присоединительные размеры.
РМ-650, РМ-750, РМ-850, РМ-1000
| Тип | aw | aw2 | L | l1 | L2 | l | l1 | l2 | l3 | l4 | l5 |
|---|---|---|---|---|---|---|---|---|---|---|---|
| РМ-650 | 650 | 400 | 1278 | 430 | 430 | 830 | 490 | 215 | 155 | 445 | 460 |
| РМ-750 | 750 | 450 | 1448 | 450 | 475 | 1025 | 620 | 275 | 230 | 491 | 525 |
| РМ-850 | 850 | 500 | 1632 | 510 | 550 | 1100 | 610 | 300 | 205 | 546 | 530 |
| РМ-1000 | 1000 | 600 | 1896 | 550 | 695,5 | 1350 | 870 | 350 | 250 | 639 | 645 |
ТАБЛ 2. Габаритные и присоединительные размеры.
РМ-650, РМ-750, РМ-850, РМ-1000
| Тип | B | B1 | B2 | B3 | H | H1 | H2 | h | d | Масса, кг |
|---|---|---|---|---|---|---|---|---|---|---|
| РМ-650 | 470 | 410 | 470 | 318 | 697 | 320 | 95 | 35 | 25 | 878 |
| РМ-750 | 510 | 450 | 510 | 356 | 743 | 320 | 130 | 35 | 25 | 1030 |
| РМ-850 | 580 | 520 | 580 | 408 | 875 | 400 | 105 | 35 | 32 | 1230 |
| РМ-1000 | 660 | 590 | 660 | 472 | 965 | 400 | 200 | 40 | 32 | 2122 |

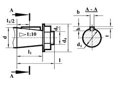
РИС3. Размеры концов входных валов
| Тип | d | d1 | d3 | d4(не более) | l | l1 | b | h | t |
|---|---|---|---|---|---|---|---|---|---|
| РМ-250 | 30 | 27,10 | М20x1,5 | 50 | 80 | 58 | 5 | 5 | 3 |
| РМ-350 | 40 | 35,90 | М24x2 | 63 | 110 | 82 | 10 | 8 | 5 |
| РМ-400 | 40 | 35,9 | М24x2 | 63 | 110 | 82 | 12 | 8 | 5 |
| PM-500 | 50 | 45,9 | М36x3 | 70 | 110 | 82 | 16 | 10 | 6 |
| РМ-650 | 60 | 54,75 | М42xЗ | 94 | 140 | 105 | 16 | 10 | 6 |
| РМ-750 | 60 | 54,75 | М42xЗ | 94 | 140 | 105 | 16 | 10 | 6 |
| РМ-850 | 90 | 83,50 | М64x4 | 130 | 170 | 130 | 22 | 14 | 9 |
| РМ-1000 | 90 | 83,50 | М64x4 | 130 | 170 | 130 | 22 | 14 | 9 |
ТАБЛ 3. Размеры концов входных валов

РИС 4. Размеры концов выходных валов
| Тип | d m6 | d1 | b | l | t |
|---|---|---|---|---|---|
| РМ-250 | 55 | 65 | 16 | 82 | 60 |
| РМ-350 | 55 | 65 | 16 | 82 | 60 |
| РМ-400 | 80 | 90 | 22 | 123 | 88 |
| РМ-500 | 80 | 90 | 22 | 123 | 88 |
| 95 | 115 | 25 | 130 | 104 | |
| PM-650 | 110 | 130 | 28 | 165 | 120 |
| 125 | 145 | 32 | 165 | 136 | |
| РМ-750 | 110 | 130 | 28 | 165 | 120 |
| РМ-850 | 130 | 150 | 32 | 200 | 141 |
| РМ-1000 | 150 | 170 | 36 | 200 | 162 |
ТАБЛ 4. Размеры концов выходных валов

РИС 5. Варианты сборки редукторов
Технические характеристики редукторов
| РМ 250, РМ 350 | РМ 400, РМ 500 | PM 650, PM 750 | РМ 850, PM 1000 |
|---|
Пример условного обозначения при заказе
Редуктор РМ-750-40-12-У2, где:
- РМ – тип редуктора;
- 750 – общее межосевое расстояние;
- 40 – номинальное передаточное число;
- 12 – вариант сборки;
- У – вариант исполнения;
- 2 – категория размещения.