Червячные мотор-редукторы 2МЧ-40, 2МЧ-63, 2МЧ-80

Червячные мотор-редукторы 2МЧ-40, 2МЧ-63, 2МЧ-80 купить в Нижнем Новгороде по низкой цене
Мотор-редукторы червячные одноступенчатые универсальные серии 2МЧ-40, 2МЧ-63, 2МЧ-80 обеспечивают крутящие моменты на тихоходном валу 85—2000 Н-м в диапазоне передаточных чисел 8—80. Используются в качестве привода различных машин и агрегатов. Мотор-редукторы допускают кратковременные перегрузки, в 2 раза превышающие номинальные и возникающие во время пусков и остановок двигателя. Редукторы применяются с лапами и без лап. Одинаковое расстояние между осями отверстий в приливах позволяет с помощью лап менять пространственное положение мотор-редуктора в соответствии с вариантами расположения червячной пары. В зависимости от варианта сборки редуктора тихоходный вал может быть одноконцевым, двухконцевым или полым.
Цена: от 6 150 руб.
УСЛОВИЯ ПРИМЕНЕНИЯ РЕДУКТОРОВ:
- нагрузка постоянная и переменная в пределах номинального крутящего момента
- вращение выходного вала в любую сторону
- климатические исполнения У3 и Т2 по ГОСТ 15150-69 при работе на высоте над уровнем моря до 1000 м, допускается работа мотор-редуктора на высоте более 1000 м над уровнем моря при соблюдении требований ГОСТ 183-74;
- внешняя среда - неагрессивная, невзрывоопасная, с содержанием непроводящей пыли не более 10 мг/м3
Общее описание:

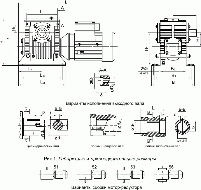
РИС . 1 Габаритные и присоединительные размеры 2МЧ-40, 2МЧ-63, 2МЧ-80
|
Типоразмер мотор-редуктора |
Lmax |
L1 |
L2 |
L3 |
L4 |
Bmax |
B1 |
B2 |
Hmax |
H1 |
H2 |
H3 |
P |
I |
|---|---|---|---|---|---|---|---|---|---|---|---|---|---|---|
|
2МЧ-40 |
370 |
105 |
180 |
150 |
90 |
164 |
140 |
100 |
180 |
112 |
40 |
105 |
15 |
90 |
|
2МЧ-63 |
470 |
150 |
220 |
180 |
110 |
197 |
165 |
125 |
225 |
145 |
63 |
150 |
20 |
120 |
|
2МЧ-80 |
540 |
180 |
260 |
225 |
130 |
212 |
185 |
140 |
296 |
172 |
80 |
180 |
20 |
145 |
|
Типоразмер мотор-редуктора |
l1 |
l2 |
l3 |
l4 |
d1 |
d2 |
d3 |
t |
t1 |
c |
c1 |
D1 |
D2 |
|---|---|---|---|---|---|---|---|---|---|---|---|---|---|
|
2МЧ-40 |
28 |
20 |
112 |
28 |
18 |
23 |
25 |
20,5 |
20,8 |
6 |
6 |
16 |
10,5 |
|
2МЧ-63 |
42 |
20 |
108 |
20 |
28 |
33 |
35 |
31 |
29,3 |
8 |
8 |
18 |
12,5 |
|
2МЧ-80 |
58 |
25 |
116 |
24 |
35 |
41 |
44 |
37,5 |
38,3 |
10 |
10 |
18 |
12,5 |
ТАБЛ 1. Габаритные и присоединительные размеры 2МЧ-40, 2МЧ-63, 2МЧ-80

РИС 4. Конструктивное расположение по способу монтажа 2МЧ-40, 2МЧ-63, 2МЧ-80
ТЕХНИЧЕСКИЕ ХАРАКТЕРИСТИКИ МОТОР-РЕДУКТОРОВ 2МЧ-40, 2МЧ-63, 2МЧ-80
|
Номинальная частота вращения выходного вала об/мин |
Допускаемая радиальная консольная нагрузка, приложенная к середине посадочной части конца выходного вала, Н |
Номинальный крутящий момент на выходном валу Н х м , при ПВ , % |
КПД, % в непрерывном режиме с ПВ, 100%, не мене |
Типоразмер двигателя серии АИР |
Мощность двигателя, |
Корректи-рованный уровень звуковой мощности, дБА, не более |
Масса |
||
|---|---|---|---|---|---|---|---|---|---|
|
40 |
100 |
||||||||
|
Мотор-редуктор 2МЧ-40 |
|||||||||
|
224 |
1500 |
20 |
68 |
63В2 |
0,55 |
80 |
12,4 |
||
|
180 |
24 |
67 |
63В2 |
0,55 |
|||||
|
140 |
22 |
58 |
63В4 |
0,37 |
|||||
|
112 |
28 |
26 |
57 |
63В4 |
0,37 |
||||
|
90 |
32 |
30 |
55 |
63В4 |
0,37 |
||||
|
71 |
35 |
30 |
52 |
63В4 |
0,37 |
||||
|
56 |
30 |
28 |
50 |
63А4 |
0,25 |
||||
|
45 |
40 |
36 |
48 |
63А4 |
0,25 |
||||
|
35,5 |
36 |
31 |
43 |
63А4 |
0,25 |
||||
|
31 |
41 |
56В4 |
0,18 |
10,5 |
|||||
|
28 |
32 |
38 |
56В4 |
0,18 |
|||||
|
22,4 |
28 |
26 |
37 |
56А4 |
0,12 |
||||
|
Мотор-редуктор 2МЧ-63 |
|||||||||
|
180 |
2400 |
100 |
80 |
66 |
80В2 |
2,2 |
83 |
26 |
|
|
140 |
100 |
71 |
64 |
80В2 |
2,2 |
||||
|
80 |
62 |
80А2 |
1,5 |
80 |
25 |
||||
|
112 |
100 |
60 |
80В2 |
2,2 |
83 |
26 |
|||
|
90 |
59 |
80А2 |
1,5 |
80 |
25 |
||||
|
90 |
125 |
100 |
66 |
80В4 |
1,5 |
26 |
|||
|
71 |
125 |
90 |
64 |
80В4 |
1,5 |
||||
|
112 |
62 |
80А4 |
1,1 |
25 |
|||||
|
56 |
125 |
59 |
80А4 |
1,1 |
|||||
|
100 |
53 |
71В4 |
0,75 |
22 |
|||||
|
45 |
125 |
54 |
80А4 |
1,1 |
25 |
||||
|
112 |
49 |
71В4 |
0,75 |
22 |
|||||
|
35,5 |
125 |
46 |
71В4 |
0,75 |
|||||
|
100 |
44 |
71А4 |
0,55 |
21 |
|||||
|
28 |
125 |
43 |
71В4 |
0,75 |
22 |
||||
|
112 |
41 |
71А4 |
0,55 |
21 |
|||||
|
22,4 |
125 |
37 |
71А4 |
0,55 |
|||||
|
18 |
140 |
100 |
40 |
71В6 |
0,55 |
22 |
|||
|
100 |
38 |
71А6 |
0,37 |
21 |
|||||
|
14 |
125 |
90 |
36 |
71В6 |
0,55 |
22 |
|||
|
100 |
34 |
71А6 |
0,37 |
21 |
|||||
|
11,4 |
112 |
80 |
30 |
71А6 |
0,37 |
||||
|
Мотор-редуктор 2МЧ-80 |
|||||||||
|
224 |
400 |
180 |
125 |
75 |
100L2 |
5,5 |
87 |
49 |
|
|
125 |
74 |
100S2 |
4 |
83 |
43 |
||||
|
180 |
180 |
71 |
90L2 |
3 |
38,5 |
||||
|
125 |
69 |
||||||||
|
140 |
180 |
66 |
|||||||
|
112 |
180 |
64 |
|||||||
|
125 |
63 |
80B2 |
2,2 |
33 |
|||||
|
90 |
250 |
180 |
67 |
100S4 |
3 |
43 |
|||
|
180 |
66 |
90L4 |
2,2 |
38,5 |
|||||
|
71 |
250 |
64 |
100S4 |
3 |
43 |
||||
|
180 |
63 |
90L4 |
2,2 |
38,5 |
|||||
|
56 |
250 |
61 |
90L4 |
2,2 |
38,5 |
||||
|
180 |
59 |
80B4 |
1,5 |
80 |
33 |
||||
|
45 |
250 |
200 |
57 |
90L4 |
2,2 |
83 |
38,5 |
||
|
200 |
55 |
80B4 |
1,5 |
80 |
33 |
||||
|
35,5 |
250 |
180 |
50 |
80B4 |
1,5 |
33 |
|||
|
180 |
48 |
80A4 |
1,1 |
31,5 |
|||||
|
28 |
250 |
48 |
80B4 |
1,5 |
33 |
||||
|
180 |
46 |
80A4 |
1,1 |
31,5 |
|||||
|
22,4 |
224 |
160 |
41 |
80A4 |
1,1 |
33 |
|||
|
160 |
40 |
71B4 |
0,75 |
28,5 |
|||||
|
18 |
224 |
38 |
80A4 |
1,1 |
31,5 |
||||
|
160 |
37 |
71B4 |
|
28,5 |
|||||
|
14 |
260 |
180 |
38 |
80A6 |
31,5 |
||||
|
11,4 |
260 |
36 |
80A6 |
31,5 |
|||||
|
180 |
35 |
71B6 |
0,55 |
28,5 |
|||||
ПРИМЕР УСЛОВНОГО ОБОЗНАЧЕНИЯ ПРИ ЗАКАЗЕ
Мотор-редуктор 2МЧ-40-71-51-1110-У3, 380, ТУ У3.26-00224828-343-98, где:
40 - межосевое расстояние, мм
71 - номинальная частота вращения выходного вала, об/мин
51 - вариант сборки по ГОСТ 20373-80
1110 - конструктивное исполнение по способу монтажа по ГОСТ 30164-94
У3 - климатическое исполнение и категория по ГОСТ 15150-69
380 - напряжение сети, В